常州市經開區(qū)觀鎮(zhèn)中吳大道觀莊215號
051988352916
0519-88351752
lim@changhuamotor.com
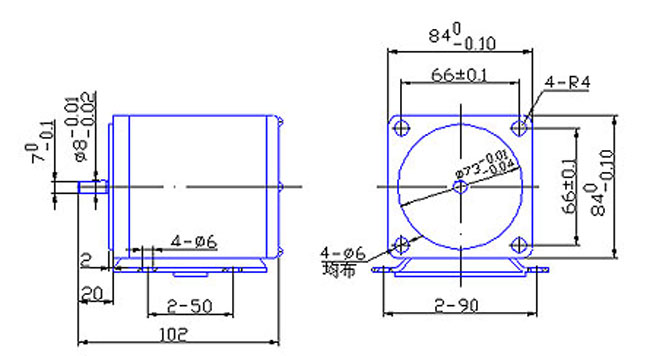
安裝尺寸

技術參數
電機型號 | 電壓 (V) | 頻率 (Hz) Frequency | 標準輸出功率 (W) | 電流 (A) Current | 參考工況轉速 (rpm) Rated speed | 電容 (μF) |
YDK80/32-2 | 220 | 50 | 30 | 0.30 | 2800 | 3 |
YDK80/40-2 | 220 | 50 | 30 | 0.30 | 2800 | 3.5 |
YDK80/40-2 | 220 | 50 | 30 | 0.45 | 2800 | 4 |
YDK80/32-4 | 220 | 50 | 30 | 0.40 | 1300 | 3 |
YDK80/32-4A | 110 | 60 | 30 | 0.95 | 1500 | 8 |
YDK80/32-4B | 220 | 60 | 30 | 0.40 | 1500 | 3 |
